聯系我們
ybmarket@supcon.com
市場熱線:0571-86667753
杭州市濱江區六和路309號中控科技園

發布時間:2021/12/13
所謂 安全繼電器 是由數個繼電器與電路組合而成,為的是要能互補彼此的異常缺陷,達到正確且低誤動作的繼電器完整功能,使其失誤和失效值愈低,安全因素則愈高,“安全繼電器”并不是“沒有故障的繼電器”,而是發生故障時做出有規則的動作,它具有強制導向接點結構,萬一發生接點熔結現象時也能確保安全,這一點同一般繼電器完全不同。
安全繼電器是一個安全回路中所必須的控制部分,它接受安全輸入,通過內部回路的判斷,確定性的輸出開關信號到設備的控制回路里。簡單地說,安全繼電器都是雙通道信號型,只有兩個通道信號都正常時,安全繼電器才能正常工作;在工作過程中,只要其中任一通道信號斷開,安全繼電器都會停止輸出,直到兩個通道信號都正常且復位后才能正常工作。
電磁式
電磁式繼電器一般由鐵芯、線圈、銜鐵、觸點簧片等組成的。只要在線圈兩端加上一定的電壓,線圈中就會流過一定的電流,從而產生電磁效應,銜鐵就會在電磁力吸引的作用下克服返回彈簧的拉力吸向鐵芯,從而帶動銜鐵的動觸點(常開觸點)與靜觸點(常閉觸點)吸合。當線圈斷電后,電磁的吸力也隨之消失,銜鐵就會在彈簧的反作用力返回原來的位置,使動觸點與原來的靜觸點釋放。這樣吸合、釋放,從而達到了在電路中的導通、切斷的目的。對于繼電器的“常開、常閉”觸點,可以這樣來區分:繼電器線圈未通電時處于斷開狀態的靜觸點,稱為“常開觸點”;處于接通狀態的靜觸點稱為“常閉觸點”。
熱敏干
簧熱敏干簧繼電器是一種利用熱敏磁性材料檢測和控制溫度的新型熱敏開關。它由感溫磁環、恒磁環、干簧管、導熱安裝片、塑料襯底及其他一些附件組成。熱敏干簧繼電器不用線圈勵磁,而由恒磁環產生的磁力驅動開關動作。恒磁環能否向干簧管提供磁力是由感溫磁環的溫控特性決定的。
固態式
固態繼電器是一種兩個接線端為輸入端,另兩個接線端為輸出端的四端器件,中間采用隔離器件實現輸入輸出的電隔離。
安全繼電器的內部線路原理:
安全繼電器2種應用對應接線圖如下:
在我們的日常工作中,此類繼電器常見于電氣設備控制系統中,尤其是國外的進口設備中最為常見。特別是在設備突然故障時,在故障未消除或者故障未確認前,設備是無法正常運轉的。以此防止設備故障后突然運行給人身或設備帶來危的險。
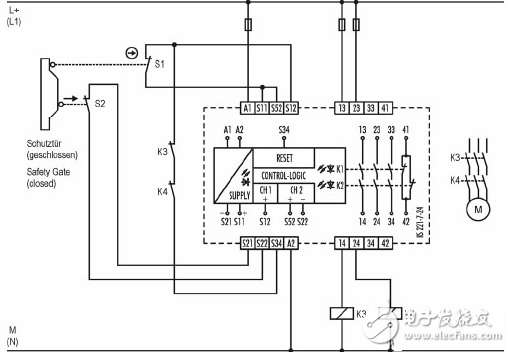
我們以PNOZ V安全繼電器為例,其內部控制電路如下圖所示:
安全繼電器使用要點說明如下:
1.電源的接法。 圖中A1和A2為電源端子,A1 接24V+;A2接0V。
2.在控制輸入電路中,正常使用時,需要在S11和S12 以及 S11和S22之間接入所需要的開關條件。一般為觸點或者按鈕接點。
3.在復位電路中,S33和S34之間需要接入相應的復位條件。與此同時,Y1和Y2之間的條件也是復位電路的一部分,兩者條件必須同時成立。
那么,它們是如何運行的呢?
A。若需要安全繼電器吸合(即K1,K2,K4,K5有電),只滿足輸入電路有電(即端子S12,S22有電)是沒有用的,要想讓K1,K2,K4,K5都閉合,除了S12,S22有電以外,還需要滿足K3閉合的條件。
B.若滿足K3閉合,條件是K1,K2,K4,K5均失電,并且復位電路有電(即端子Y2有電)。即S33到S34導通,且Y1和Y2也同時導通。
2.示例:在某設備控制電路圖紙中,其控制回路中,有如下圖:
按上、下圖示接法:若按下外部急停按鈕,后K11失電,那么即使復位外部急停開關后,即輸入回路已經有電,但是還必須按控制箱190SP1上的故障確認按鈕后,K11內部繼電器才吸合得電。
綜上所述,PNOZ安全繼電器可以滿足。:在緊急停止解除時,機器不能出現突然再啟動(必須點擊故障確認,即進行故障復位才可以重新得電),從而保障人身及其他的安全。
浙江中控自動化儀表有限公司(簡稱“中控儀表公司”)是浙江中控技術股份有限公司的控股子公司,致力于自動化儀表的研究、開發和生產,是目前國內優秀的自動化儀表供應商,如有需求者,歡迎與我公司合作。
上一篇:電磁流量計傳感器的接地的示意圖
沒有了